1
/
de
19
STRAUSAK FLEXIMAT
Type: FLEXIMAT
Marque: STRAUSAK
Groupe: Tool and cutter grinding machine
Sous-groupe: Tool and cutter grinder CNC
Commande: NUM 1062 M
Année: 2012
Stock: 023093
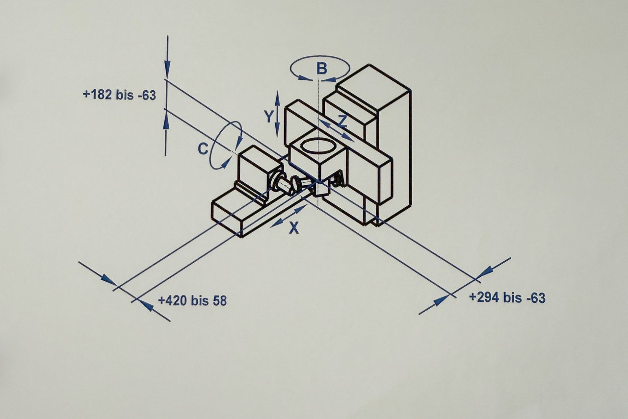
STRAUSAK FLEXIMAT est une affûteuse d'outils CNC conçue pour la précision, la haute exactitude et la fiabilité. Capacités: 5 axes, meule Ø max 160 mm, cône broche 50 ISO; courses Transv. 360 mm, Long. 240 mm, Vert. 360 mm; axe B 470° (résol. 0,001°), axe C résol. 0,001°, vitesse pièce 1000 t/min. Caractéristiques: broche de rectification 1 000–9 000 t/min (variateur), moteur broche 6/8 kW, moteur meule 3,7 kW, avances rapides 10 m/min, alimentation 3x400 V 50 Hz, puissance installée 10 kVA, poids ~2750 kg, dimensions L2050×l1945×H2040 mm. Fourni avec système PC, palpeur 3D, manivelle électronique et climatisation armoire. Assure tolérances serrées; adapté aux secteurs automobile, horlogerie, outillage, aéronautique et médical.
Software sur Numrorto 5.0.1 updated
| Nombre d'axes total | 5 |
| Diamètre max. de la meule | 160 mm |
| Cône de la broche | 50 ISO |
| Déplacements des axes: | |
| Largeur | 360 mm |
| Longitudinal | 240 mm |
| Verticale | 360 mm |
| Axe B (rotation de la tête de meulage) | 470 ° |
| Résolution | 0.001 ° |
| Tours poupée porte-pièce | 1000 t/min |
| Axe-C (broche, résolution) | 0.001 ° |
| Vitesse de broche de rectifiage: | |
| Variateur (réglage progressif) | |
| de | 1000 t/min |
| à | 9000 t/min |
| Moteur de la broche | 6 / 8 kW |
| Avances rapide: | 10 m/min |
| Branchement 50 Hz 3x | 400 Volt |
| Moteur de broche | 3.7 kW |
| Puissance totale installée | 10 kVA |
| Poids de la machine env. | 2750 kg |
| Encombrement machine: | |
| Longueur | 2050 mm |
| Largeur | 1945 mm |
| Hauteur | 2040 mm |
| Accessoires divers: | |
| Système de PC | |
| Palpeur de mesure 3D | |
| Manivelle électronique | |
| Climatiseur armoire de commande |

Besoin d'aide? Contactez-nous sur WhatsApp!